Request a Quote
SLU30CH064 SeriesSLU30CH064-48Slotless BLDC Motor

Quick Facts
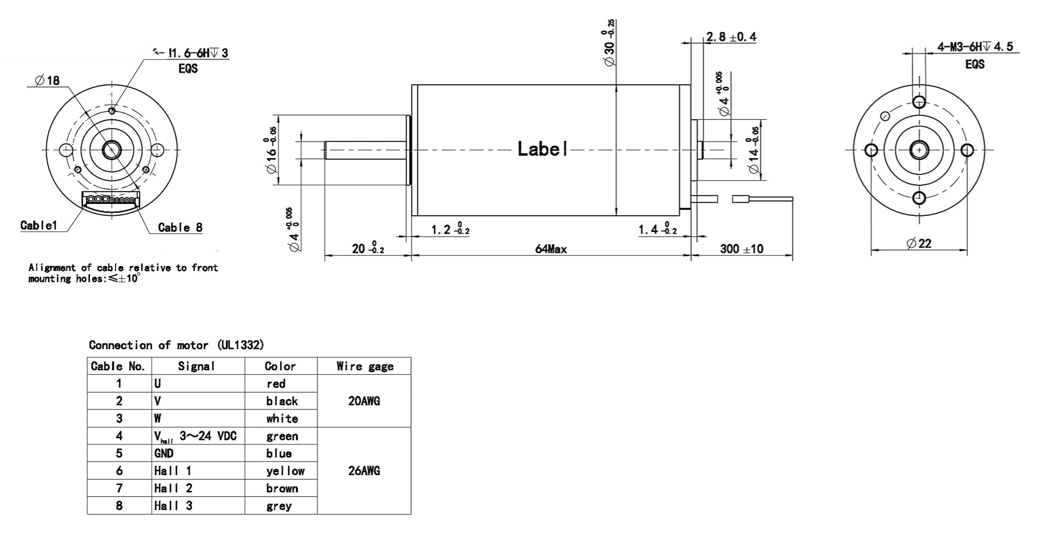
SLU30CH064-48 Slotless BLDC Motors
SLU30CH064-48 Slotless BLDC Motors
Specifications:
- 1.180 in Frame Size
- 1.25 A Rated Current
- 8.4967 oz-in Rated Torque
- 48 VDC Nominal Voltage
- 2.520 in Length
Features and Benefits:
- Extremely quick response and high acceleration
- Quiet Operation
- High power density
