Request a Quote
SLU26CH040 SeriesSLU26CH040-24-G62Slotless BLDC Motor

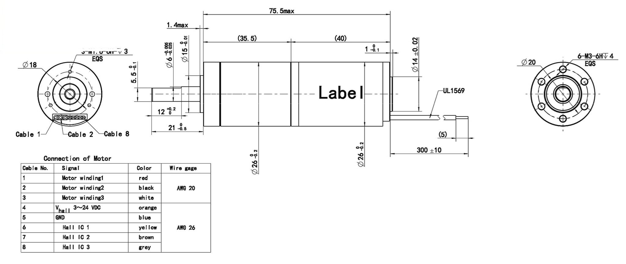
Quick Facts
SLU26CH040-24-G62 Slotless BLDC Motors
SLU26CH040-24-G62 Slotless BLDC Motors
Specifications:
- 1.020 in Frame Size
- 1.1 A Rated Current
- 150.1086 oz-in Rated Torque
- 24 VDC Nominal Voltage
- 2.970 in Length
