Request a Quote
SLU26CH040 SeriesSLU26CH040-24-G4Slotless BLDC Motor

Quick Facts
SLU26CH040-24-G4 Slotless BLDC Motors
SLU26CH040-24-G4 Slotless BLDC Motors
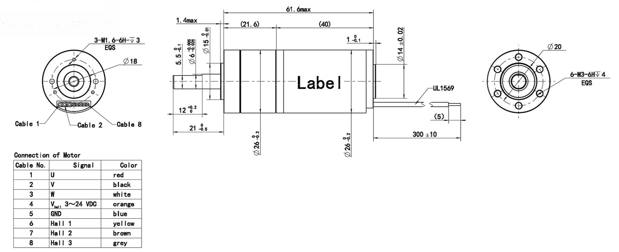
Specifications:
- 1.020 in Frame Size
- 1.1 A Rated Current
- 11.3148 oz-in Rated Torque
- 24 VDC Nominal Voltage
- 2.430 in Length
