Request a Quote
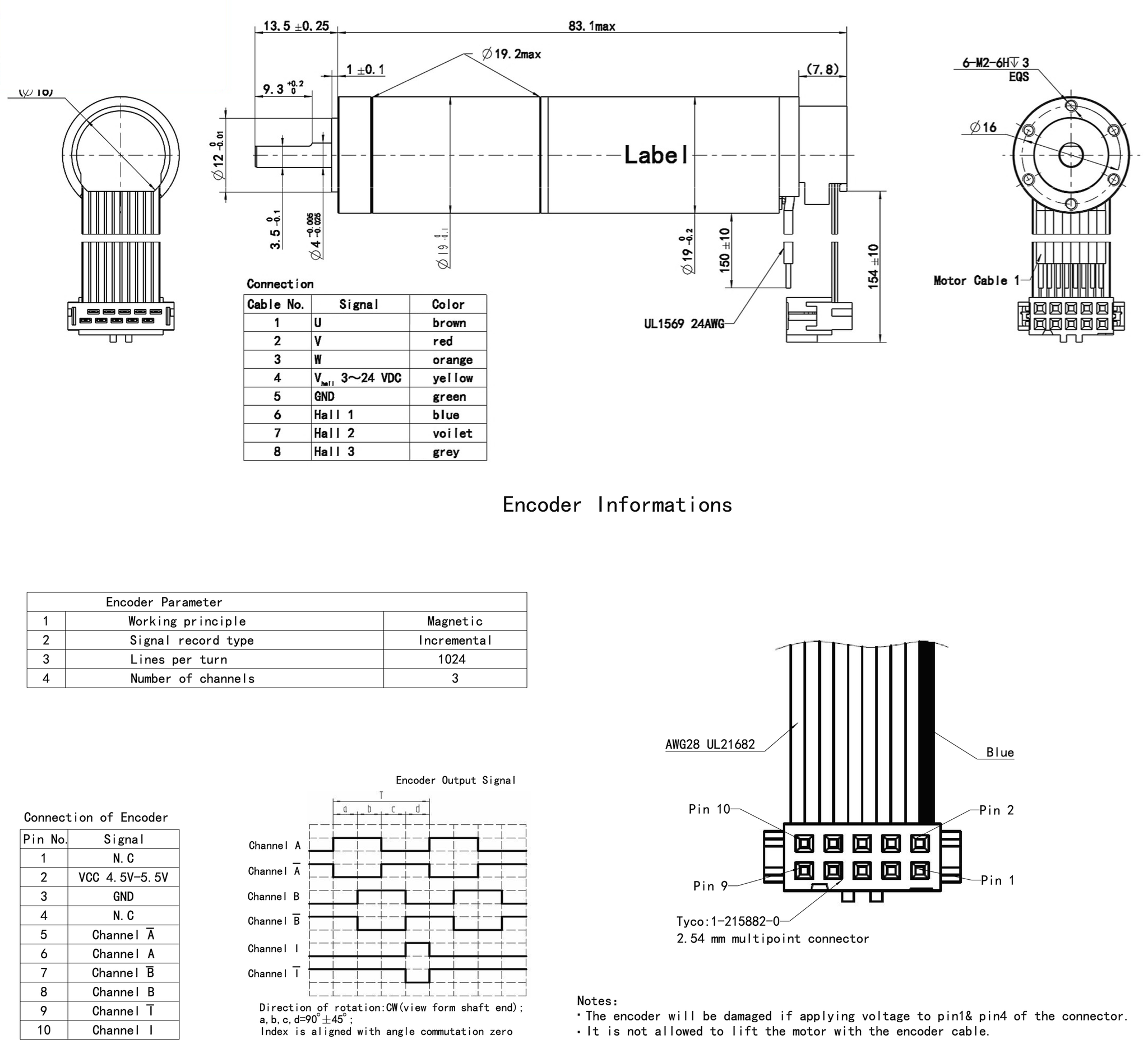
SLU19CH042 SeriesSLU19CH042-24-G406-M16-1024Slotless BLDC Motor

Quick Facts
SLU19CH042-24-G406-M16-1024 Slotless BLDC Motors
SLU19CH042-24-G406-M16-1024 Slotless BLDC Motors
Specifications:
- 0.750 in Frame Size
- 0.25 A Rated Current
- 113.2895 oz-in Rated Torque
- 24 VDC Nominal Voltage
- 3.270 in Length
