Request a Quote
SLU16CH036 SeriesSLU16CH036-36Slotless BLDC Motor

Quick Facts
SLU16CH036-36 Slotless BLDC Motors
SLU16CH036-36 Slotless BLDC Motors
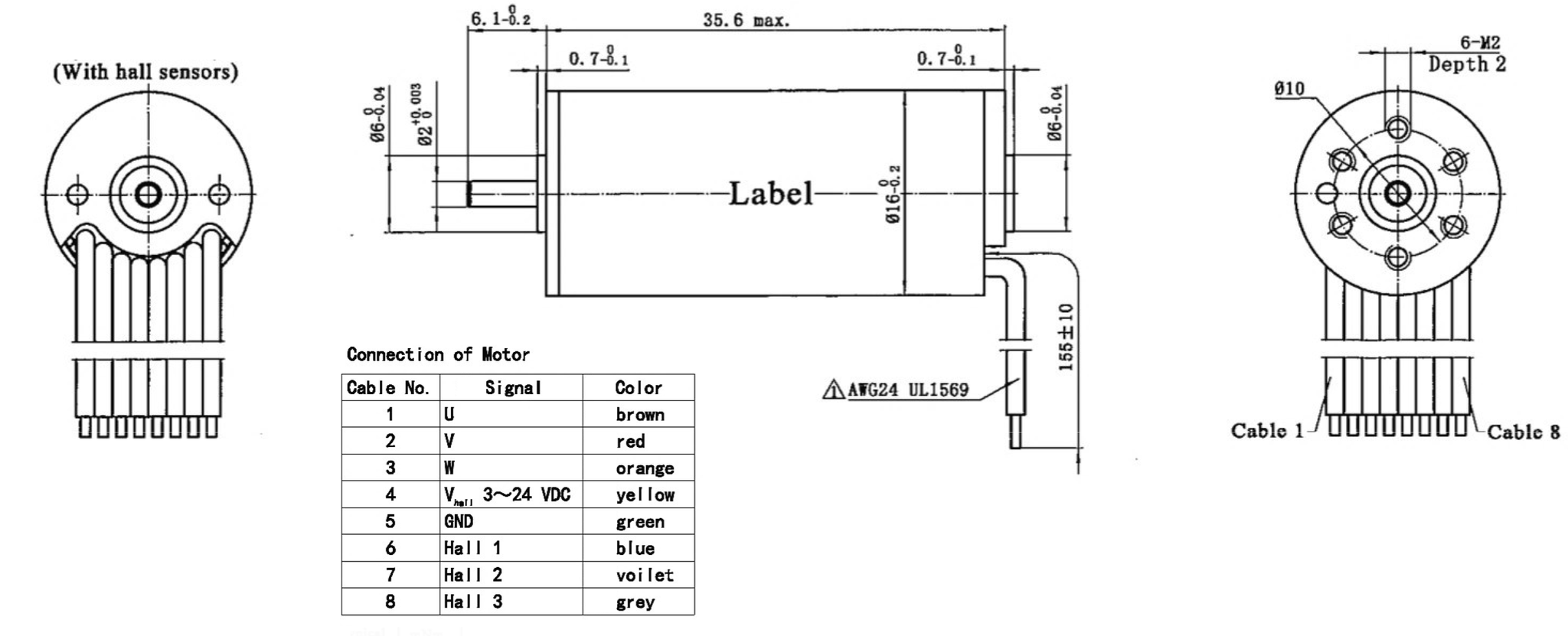
Specifications:
- 0.630 in Frame Size
- 0.35 A Rated Current
- 0.9913 oz-in Rated Torque
- 36 VDC Nominal Voltage
- 1.400 in Length
Features and Benefits:
- Extremely quick response and high acceleration
- Quiet Operation
- High power density
