Request a Quote
SLU16CH036 SeriesSLU16CH036-24-G21-W16-S13BSlotless BLDC Motor

Quick Facts
SLU16CH036-24-G21-W16-S13B Slotless BLDC Motors
SLU16CH036-24-G21-W16-S13B Slotless BLDC Motors
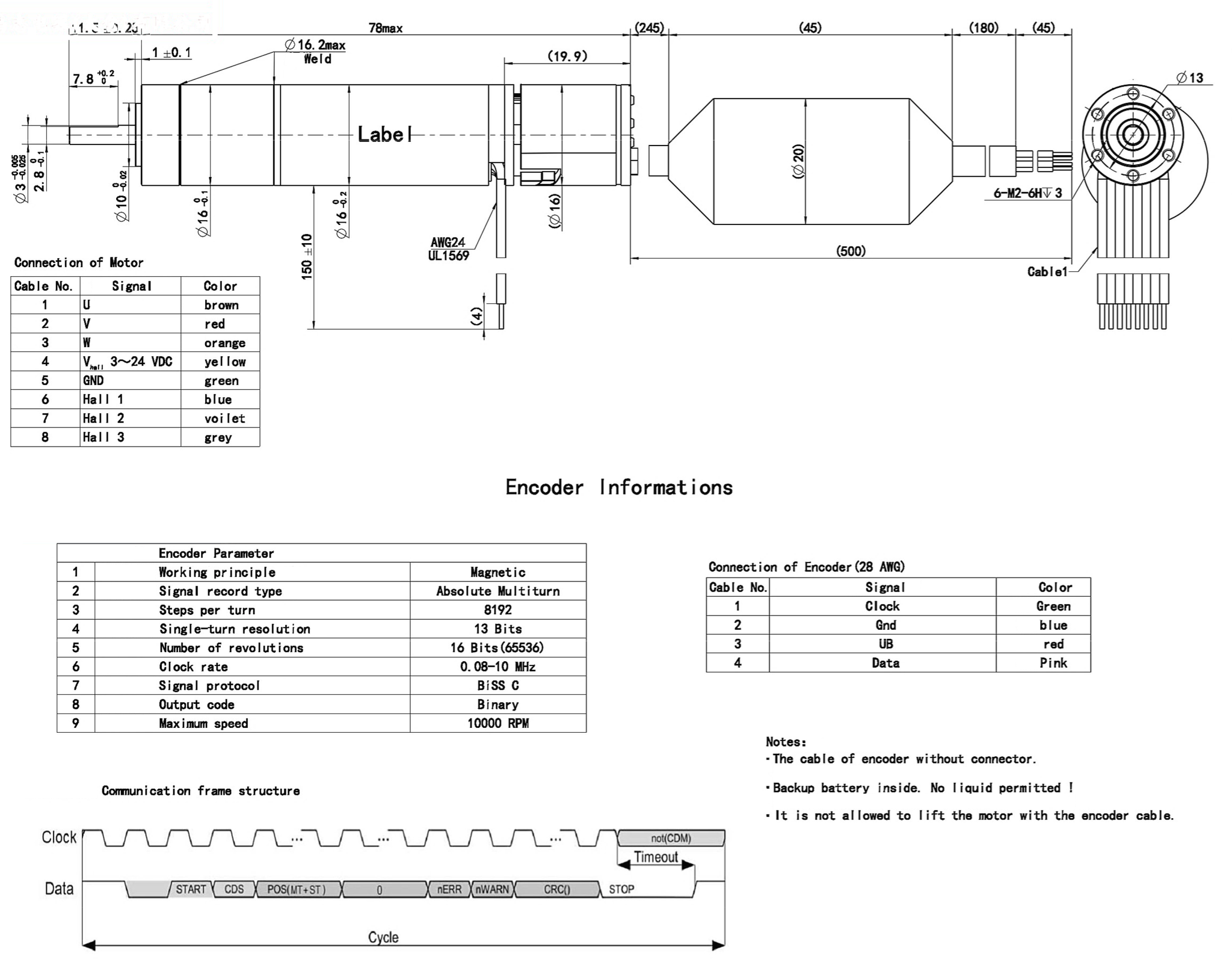
Specifications:
- 0.630 in Frame Size
- 0.475 A Rated Current
- 19.1318 oz-in Rated Torque
- 24 VDC Nominal Voltage
- 3.070 in Length
Features and Benefits:
- Extremely quick response and high acceleration
- Quiet Operation
- High power density
