Request a Quote
SLU16CH024 SeriesSLU16CH024-12-G21Slotless BLDC Motor

Quick Facts
SLU16CH024-12-G21 Slotless BLDC Motors
SLU16CH024-12-G21 Slotless BLDC Motors
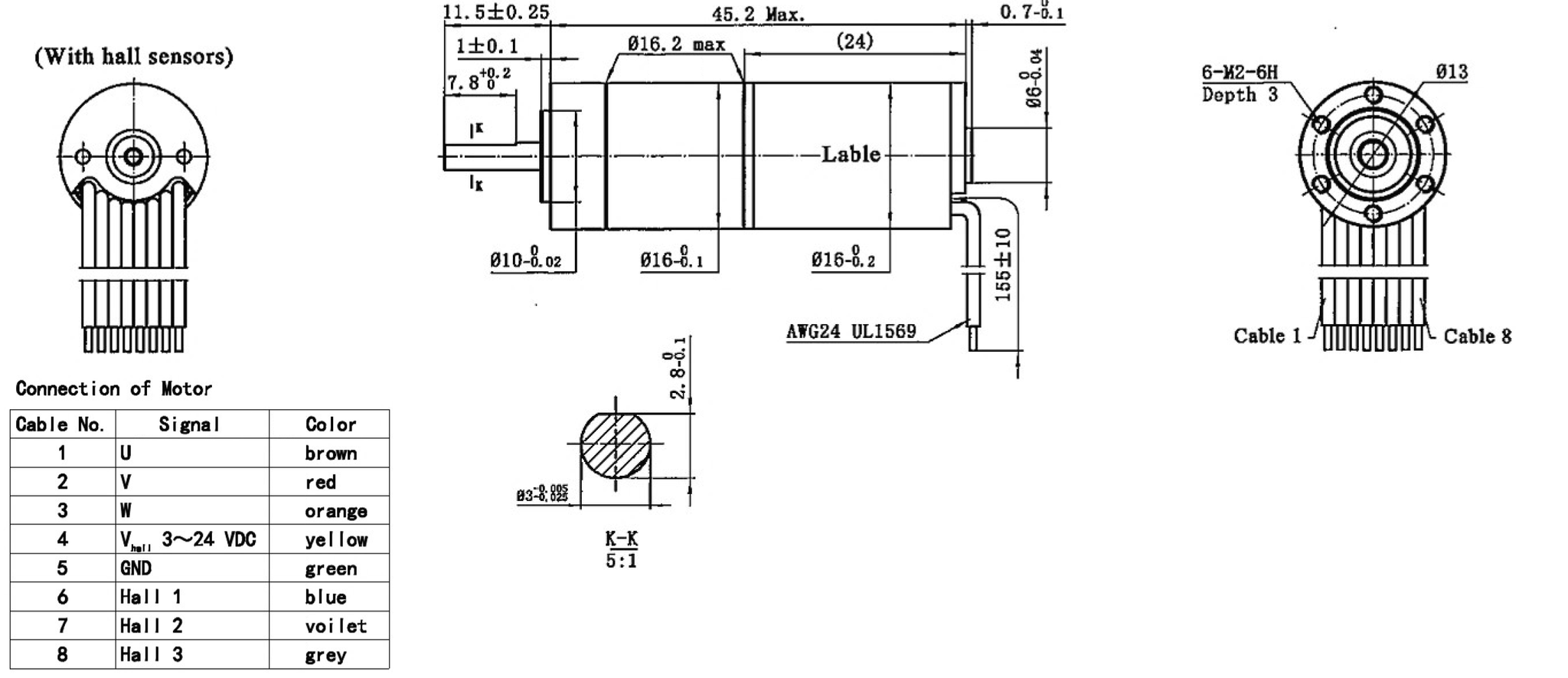
Specifications:
- 0.630 in Frame Size
- 0.323 A Rated Current
- 6.3725 oz-in Rated Torque
- 12 VDC Nominal Voltage
- 1.780 in Length
