Request a Quote
SLU13CH038 SeriesSLU13CH038-24Slotless BLDC Motor

Quick Facts
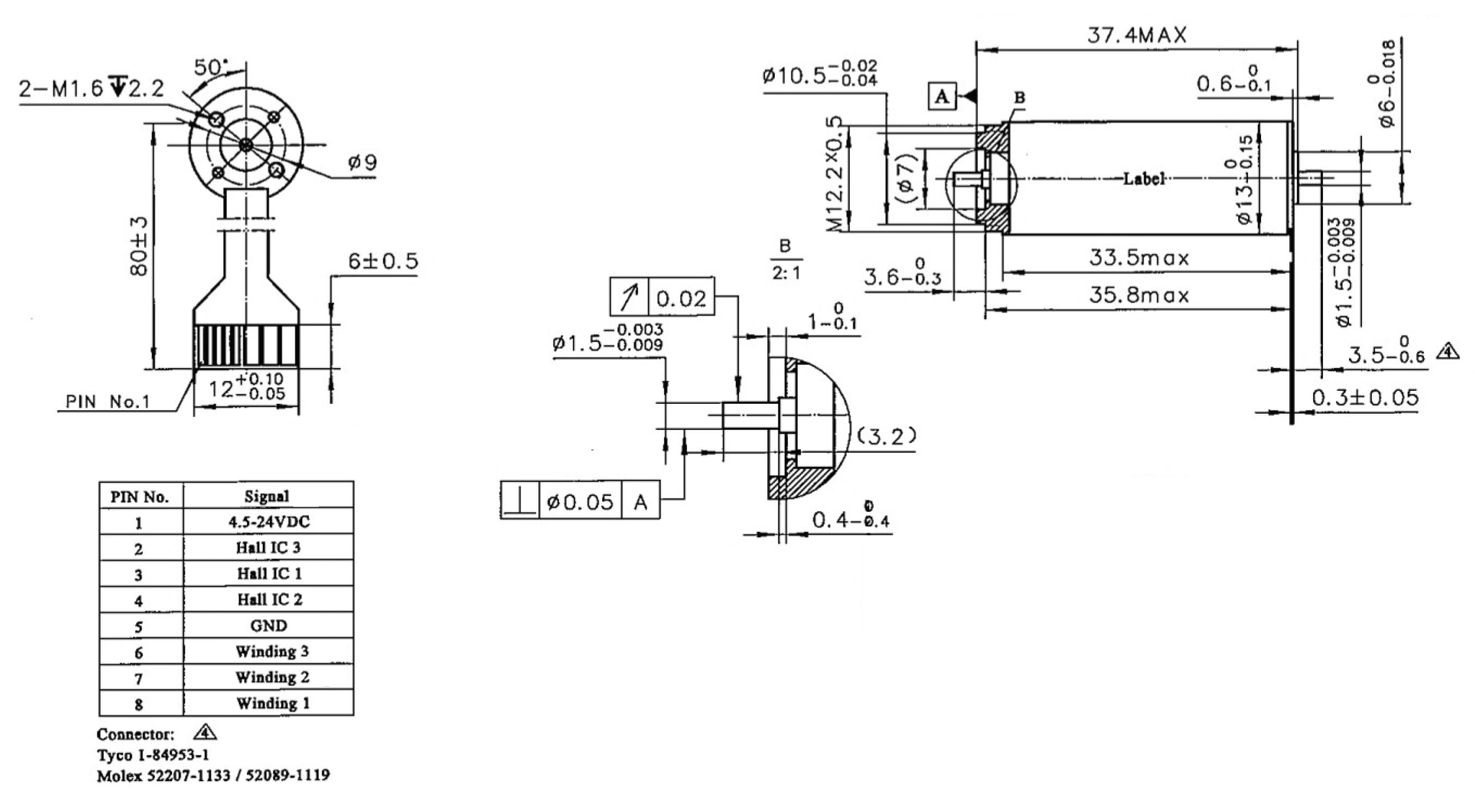
SLU13CH038-24 Slotless BLDC Motors
SLU13CH038-24 Slotless BLDC Motors
Specifications:
- 0.510 in Frame Size
- 0.55 A Rated Current
- 0.7265 oz-in Rated Torque
- 24 VDC Nominal Voltage
- 1.470 in Length
Features and Benefits:
- Extremely quick response and high acceleration
- Quiet Operation
- High power density
