Request a Quote
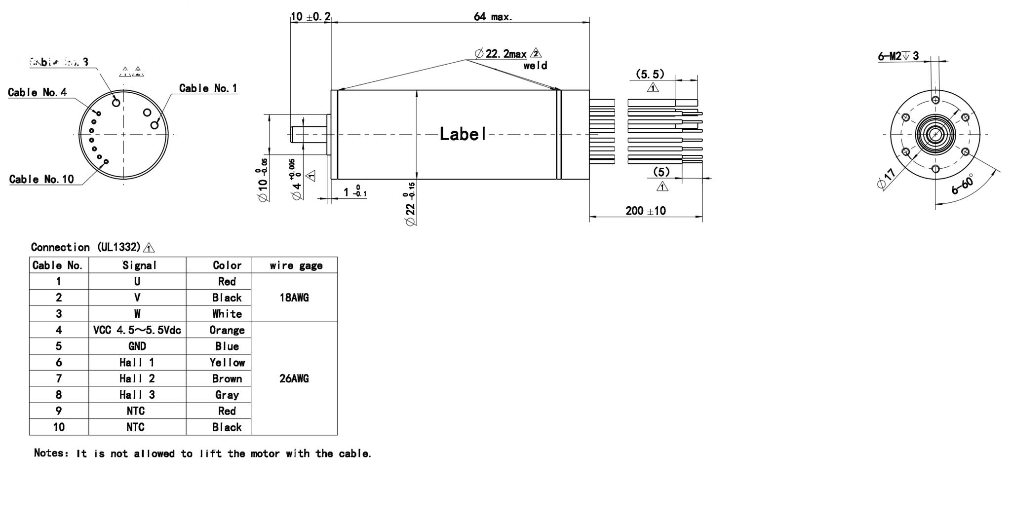
SLT22CH064 SeriesSLT22CH064-36Slotless BLDC Motor

Quick Facts
SLT22CH064-36 Slotless BLDC Motors
SLT22CH064-36 Slotless BLDC Motors
Specifications:
- 0.870 in Frame Size
- 1.3 A Rated Current
- 6.3725 oz-in Rated Torque
- 36 VDC Nominal Voltage
- 2.520 in Length
