Request a Quote
SLT22CH064 SeriesSLT22CH064-24-G4-MH22-1024Slotless BLDC Motor

Quick Facts
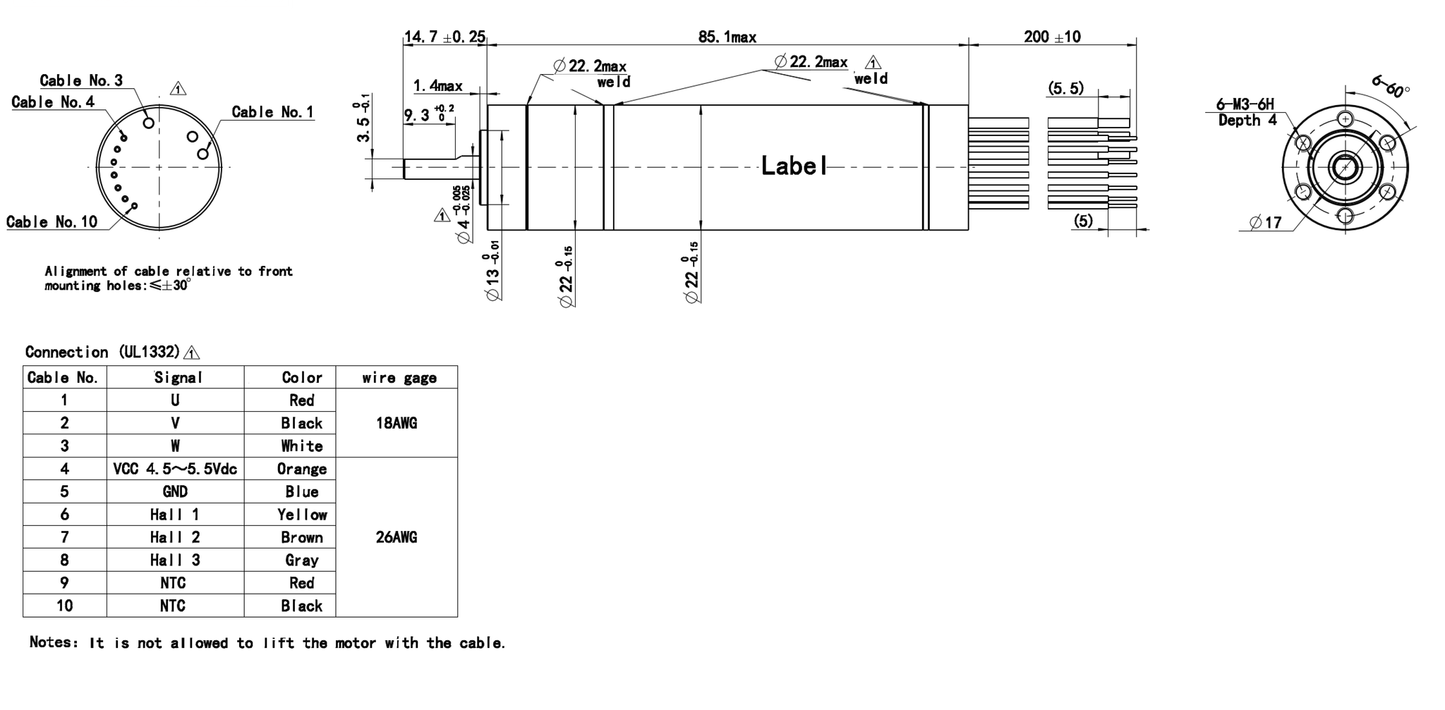
SLT22CH064-24-G4-MH22-1024 Slotless BLDC Motors
SLT22CH064-24-G4-MH22-1024 Slotless BLDC Motors
Specifications:
- 0.870 in Frame Size
- 1.89 A Rated Current
- 23.366 oz-in Rated Torque
- 24 VDC Nominal Voltage
- 3.350 in Length
