Request a Quote
SLT22CH064 SeriesSLT22CH064-12Slotless BLDC Motor

Quick Facts
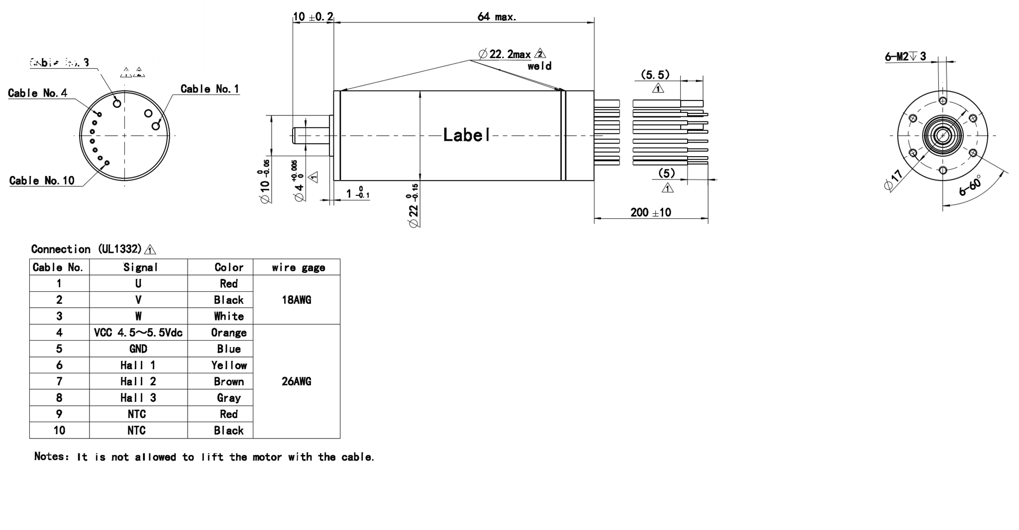
SLT22CH064-12 Slotless BLDC Motors
SLT22CH064-12 Slotless BLDC Motors
Specifications:
- 0.870 in Frame Size
- 3.76 A Rated Current
- 6.3725 oz-in Rated Torque
- 12 VDC Nominal Voltage
- 2.520 in Length
