Request a Quote
SLP10CH030 SeriesSLP10CH030-12-G64-FS10-1024Slotless BLDC Motor

Quick Facts
SLP10CH030-12-G64-FS10-1024 Slotless BLDC Motors
SLP10CH030-12-G64-FS10-1024 Slotless BLDC Motors
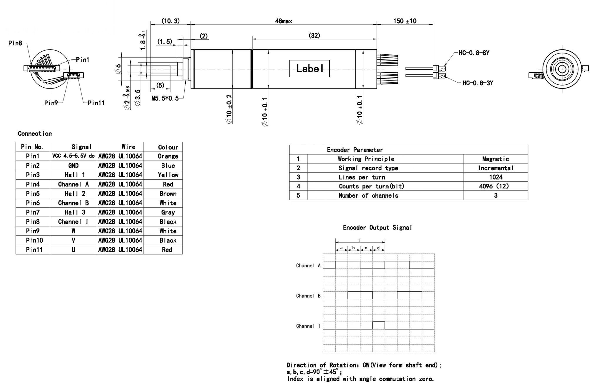
Specifications:
- 0.390 in Frame Size
- 0.33 A Rated Current
- 7.8311 oz-in Rated Torque
- 12 VDC Nominal Voltage
- 1.890 in Length
