Request a Quote
Slim Planetary SERIESSlim PlanetaryGearboxes

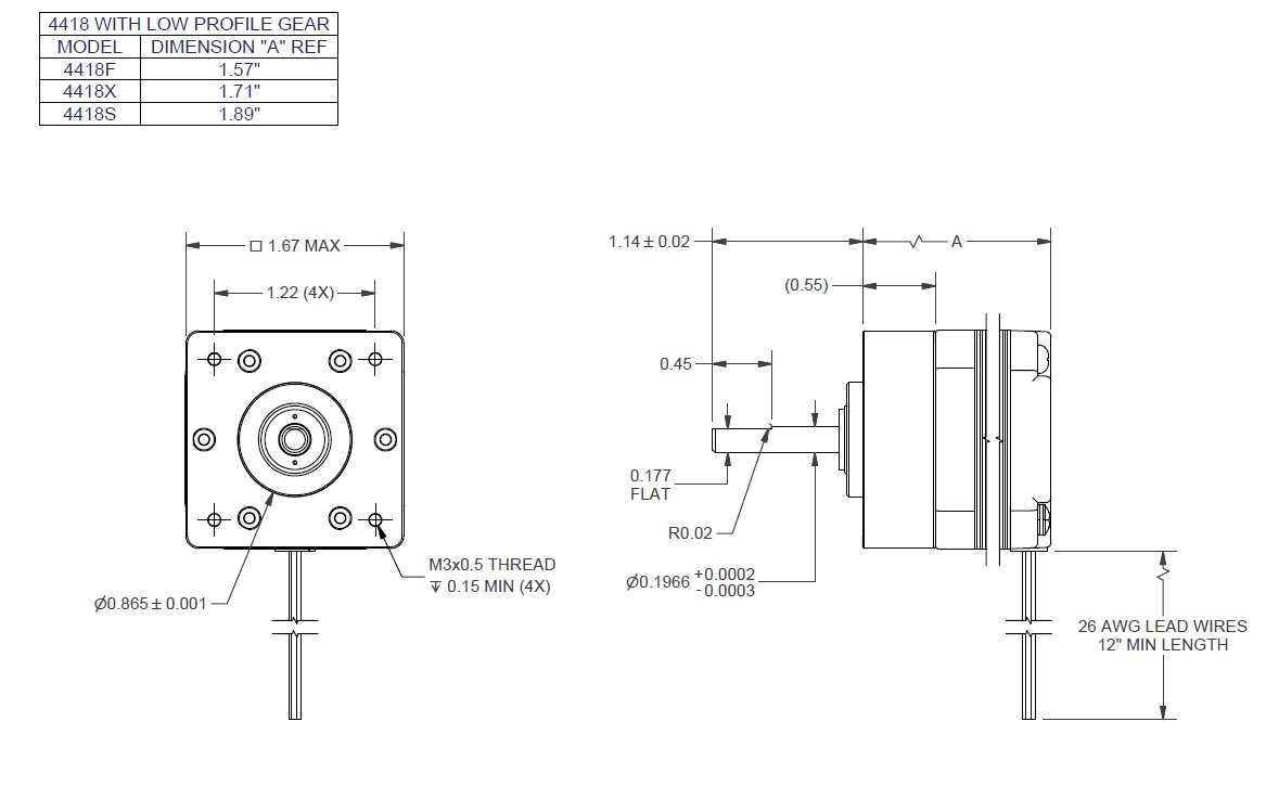
Quick Facts
Slim Planetary Gearboxes
Slim Planetary Gearboxes
Features and Benefits:
- High efficiency
- Shortest Planetary Gearbox
- 5:1 gear ratio
- Cost effective
- Standard NEMA 17 Mount




