Request a Quote
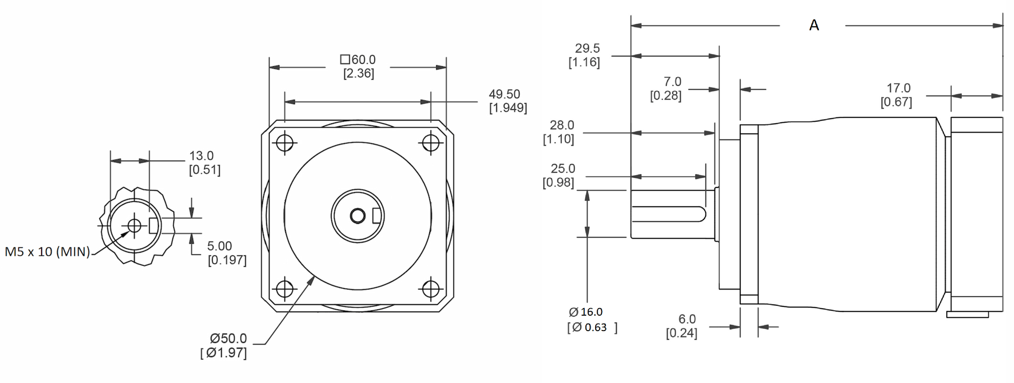
HIGH PRECISION PLANETARY GEARBOX SERIESHP SERIESGearboxes

Quick Facts
HP SERIES GearboxesHIGH PRECISION PLANETARY GEARBOX
HP SERIES Gearboxes
Features and Benefits:
- True planetary design
- Low backlash design
- NEMA mounting standards
- High efficiency design
- Quick installation
- IP 65 rated



