Request a Quote
AMT20 SERIESAMT20Capacitive Encoder

Quick Facts
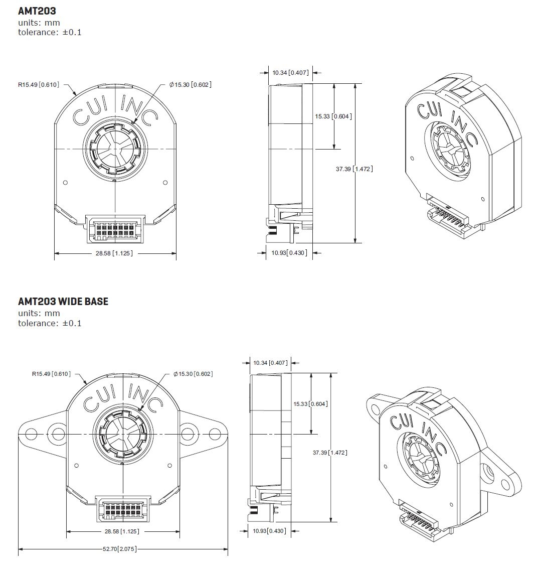
AMT20 Encoders
AMT20 Encoders
Features and Benefits:
- Patented capacitive ASIC technology
- Low power consumption
- 12-bit absolute position via SPI (4096 positions)
- Digitally set zero position alignment
- SPI configurable settings
- Incremental resolutions up to 1024 PPR
- Index pulse
- Compact modular package with locking hub for ease of installation
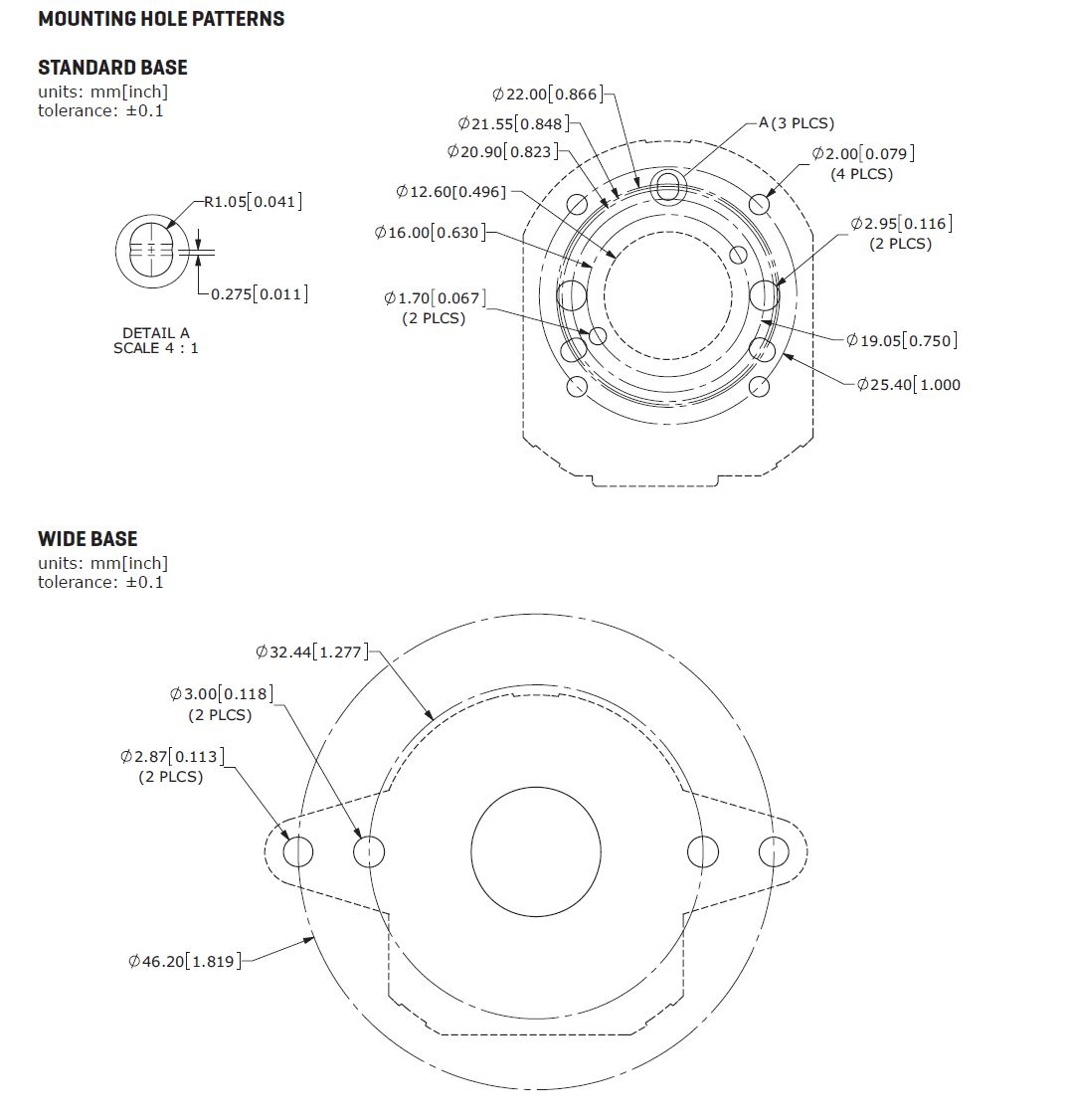
- Different mounting hole options

