Request a Quote
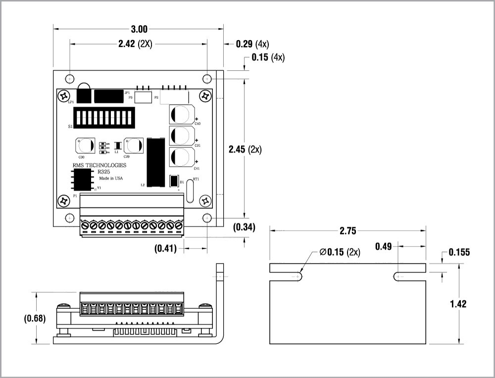
R325PE SERIESR325PESTEPPER DRIVER

Quick Facts
R325PE Drivers & Controllers
R325PE Drivers & Controllers
Features and Benefits:
- Operates from +12 to 48 VDC
- Phase current from 0.3 to 3.0 Amps Peak
- Step Resolutions from Full to 256 microstepping
- Hold current reduction capability with adjustable current and timeout settings
- Three optically isolated control inputs and one optically isolated control output
- Configuration parameters stored in non-volatile memory
- Multiple module control through software assigned single character addresses
- Built-in control routines for trapezoidal position and velocity moves


