Request a Quote
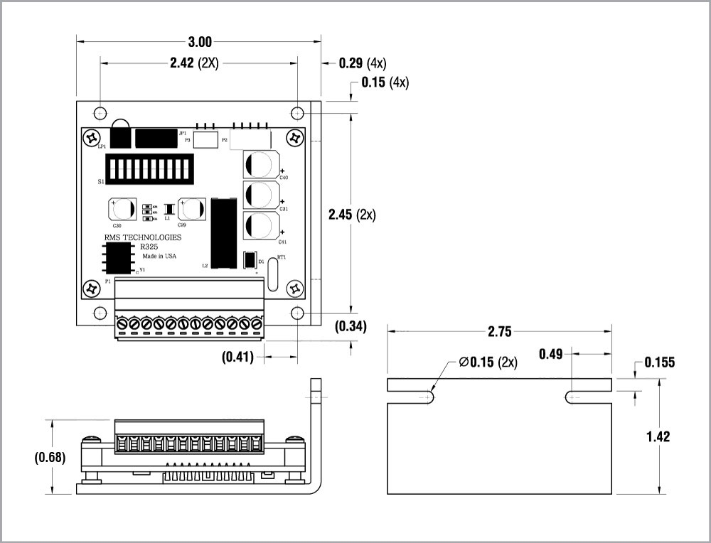
R325P SERIESR325PSTEPPER DRIVER

Quick Facts
R325P Drivers & Controllers
R325P Drivers & Controllers
Features and Benefits:
- Operates from +12 to 48 VDC
- Phase current from 0.3 to 3.0 Amps Peak
- Step Resolutions from Full to 256 microstepping
- Hold current reduction capability with adjustable current and timeout settings
- Three optically isolated control inputs and one optically isolated control output
