Request a Quote
CGI Planetary SERIESCGI PlanetaryGearboxes

Quick Facts
CGI Planetary Gearboxes
CGI Planetary Gearboxes
Features and Benefits:
- True planetary design
- Low backlash design
- Input pinion with balanced clamp collar
- Quick installation
- Strong, caged roller bearings
- Sealed ball bearings
- High efficiency design
- All gears are heat treated
- NEMA mounting standards
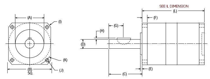
Dimension

Specifications
PART NUMBER | A PILOT DIAMETER (in.) | B SQUARE FLANGE (in.) | C SHAFT LENGTH (in.) | D SHAFT DIAMETER (in.) | E PILOT LENGTH (in.) | F FLANGE THICKNESS (in. | G KEY LOCATION (in.) |
---|---|---|---|---|---|---|---|
017PNX 023PNX 034PNX 042PNX 056PNX 075PNX | .864/.866 1.498/1.500 2.873/2.875 2.185/2.187 4.498/4.500 5.998/6.000 | 1.65 2.25 3.25 4.20 5.75 7.48 | 1.25 1.25 1.50 2.00 2.50 3.50 | .4995/.5000 .4995/.5000 .7495/.7500 .9995/1.0000 1.4995/1.5000 1.9995/2.0000 | 0.062 0.062 0.062 0.062 0.125 0.187 | 0.187 0.250 0.375 0.500 0.750 0.875 | 0.56 0.56 0.56 0.63 0.94 3.00 Lg |
PART NUMBER | H KEY HEIGHT (in.) | I HOUSING DIAMETER (in.) | J BOLT HOLE DIAMETER (in.) (in.) | K BOLT HOLE CIRCLE (in.) | KEY WIDTH/ WOODRUFF KEY (in.) | RADIAL & AXIAL SHAFT LOADING (LBS.) |
---|---|---|---|---|---|---|
017PNX 023PNX 034PNX 042PNX 056PNX 075PNX | 0.063 0.063 0.094 0.125 0.187 0.157 | 2.05 2.95 4.38 5.51 7.87 9.64 | 0.125 0.205 0.220 0.280 0.410 0.560 | 1.725 2.625 3.875 4.950 7.000 8.465 | 0.125 / #404 0.125 / #404 0.187 / #606 0.250 / #808 0.375 / #1212 3/8”x 5/8” RECT. | See below |
AVAILABLE RATIOS | EFFICIENCY | SPECIFICATIONS |
---|---|---|
SINGLE STAGE : 3:1 / 4:1 / 5.5:1 / 7:1 / 10:1 DOUBLE STAGE: 16:1 / 22:1 / 28:1 / 40:1 / 49:1 / 55:1 / 70:1 / 100:1 | 90% 85% | Input RPM: 5000 Max. Operating Temperature Range -60°F to +255°F Motor Mounting Hardware Supplied |
Model 017PNX
MODEL | RATIO | TORQUE RATING IN LBS. | PEAK TORQUE Â RATING IN LBS. | INERTIA INPUT PINION OZ IN SEC | INERTIA GEARHEAD OZ IN SEC | BACKLASH STD/ LOW ARC MINUTES | GEARHEAD WEIGHT BLS. | GEARHEAD LENGTH |
---|---|---|---|---|---|---|---|---|
 |  |  |  |  |  |  |  |  |
017PNX | 3:1 | 125 | 174 | 2.163E-04 | 1.669E-04 | 10 / 7 | 1.0 | 2.66 |
017PNX | 4:1 | 119 | 165 | 1.352E-04 | 1.053E-04 | 10 / 7 | 1.0 | 2.66 |
017PNX | 5.5:1 | 107 | 149 | 1.174E-04 | 5.870E-05 | 10 / 7 | 1.0 | 2.66 |
017PNX | 7:1 | 89 | 124 | 1.143E-04 | 3.692E-05 | 10 / 7 | 1.0 | 2.66 |
017PNX | 10:1 | 56 | 84 | 1.132E-04 | 1.833E-05 | 10 / 7 | 1.0 | 2.66 |
017PNX | 16:1 | 127 | 176 | 1.352E-04 | 1.045E-04 | 14 / 9 | 1.6 | 3.32 |
017PNX | 22:1 | 128 | 178 | 1.174E-04 | 5.830E-05 | 14 / 9 | 1.6 | 3.32 |
017PNX | 28:1 | 129 | 179 | 1.143E-04 | 3.667E-05 | 14 / 9 | 1.6 | 3.32 |
017PNX | 40:1 | 131 | 181 | 1.132E-04 | 1.821E-05 | 14 / 9 | 1.6 | 3.32 |
017PNX | 49:1 | 95 | 132 | 1.143E-04 | 3.479E-05 | 14 / 9 | 1.6 | 3.32 |
017PNX | 55:1 | 117 | 162 | 1.132E-04 | 1.755E-05 | 14 / 9 | 1.6 | 3.32 |
017PNX | 70:1 | 96 | 134 | 1.132E-04 | 1.729E-05 | 14 / 9 | 1.6 | 3.32 |
017PNX | 100:1 | 52 | 77 | 1.132E-04 | 1.708E-05 | 14 / 9 | 1.6 | 3.32 |
Â
Model 023PNX
MODEL 023PNX
MODEL | RATIO | TORQUE RATING IN LBS. | PEAK TORQUE RATING IN LBS. | INERTIA INPUT PINION OZ IN SEC | INERTIA GEARHEAD OZ IN SEC | BACKLASH STD/ LOW ARC MINUTES | GEARHEAD WEIGHT BLS. | GEARHEAD LENGTH |
---|---|---|---|---|---|---|---|---|
 |  |  |  |  |  |  |  |  |
023PNX Â | 3:1 | 285 | 396 | 1.194E-03 | 4.866E-04 | 10 / 7 | 2.0 | 3.06 |
023PNX Â | 4:1 | 264 | 366 | 9.502E-04 | 3.113E-04 | 10 / 7 | 2.0 | 3.06 |
023PNX Â | 5.5:1 | 238 | 330 | 8.969E-04 | 1.746E-04 | 10 / 7 | 2.0 | 3.06 |
023PNX Â | 7:1 | 197 | 274 | 8.880E-04 Â | 1.100E-04 | 10 / 7 | 2.0 | 3.06 |
023PNX Â | 10:1 | 119 | 179 | 8.846E-04 | 5.471E-05 | 10 / 7 | 2.0 | 3.06 |
023PNX Â | 16:1 | 282 | 391 | 9.502E-04 | 3.287E-04 | 14 / 9 | 3.0 | 3.97 |
023PNX Â | 22:1 | 285 | 396 | 8.969E-04 | 1.838E-04 | 14 / 9 | 3.0 | 3.97 |
023PNX Â | 28:1 | 288 | 400 | 8.880E-04 | 1.157E-04 | 14 / 9 | 3.0 | 3.97 |
023PNX Â | 40:1 | 291 | 405 | 8.846E-04 | 5.749E-05 | 14 / 9 | 3.0 | 3.97 |
023PNX Â | 49:1 | 213 | 295 | 8.880E-04 | 1.098E-04 | 14 / 9 | 3.0 | 3.97 |
023PNX Â | 55:1 | 260 | 362 | 8.846E-04 | 5.543E-05 | 14 / 9 | 3.0 | 3.97 |
023PNX Â | 70:1 | 215 | 298 | 8.846E-04 | 5.460E-05 | 14 / 9 | 3.0 | 3.97 |
023PNX Â | 100:1 | 110 | 164 | 8.846E-04 | 5.393E-05 | 14 / 9 | 3.0 | 3.97 |
Model 034PNX
MODEL 034PNX
MODEL | RATIO | TORQUE RATING IN LBS. | PEAK TORQUE RATING IN LBS. | INERTIA INPUT PINION OZ IN SEC | INERTIA GEARHEAD OZ IN SEC | BACKLASH STD/ LOW ARC MINUTES | GEARHEAD WEIGHT BLS. | GEARHEAD LENGTH |
---|---|---|---|---|---|---|---|---|
 |  |  |  |  |  |  |  |  |
034PNX | 3:1 | 964 | 1339 | 4.901E-03 | 4.672E-03 | 10 / 7 | 7.0 | 4.56 |
034PNX | 4:1 | 914 | 1270 | 2.522E-03 | 2.833E-03 | 10 / 7 | 7.0 | 4.56 |
034PNX | 5.5:1 | 835 | 1160 | 2.040E-03 | 1.585E-03 | 10 / 7 | 7.0 | 4.56 |
034PNX | 7:1 | 701 | 934 | 1.955E-03 | 9.983E-04 | 10 / 7 | 7.0 | 4.56 |
034PNX | 10:1 | 507 | 704 | 1.923E-03 | 4.961E-04 | 10 / 7 | 7.0 | 4.56 |
034PNX | 16:1 | 986 | 1370 | 2.522E-03 | 2.824E-03 | 14 / 9 | 8.0 | 5.83 |
034PNX | 22:1 | 1000 | 1389 | 2.040E-03 | 1.580E-03 | 14 / 9 | 8.0 | 5.83 |
034PNX | 28:1 | 1009 | 1402 | 1.955E-03 | 9.952E-04 | 14 / 9 | 8.0 | 5.83 |
034PNX | 40:1 | 1023 | 1421 | 1.923E-03 | 4.946E-04 | 14 / 9 | 8.0 | 5.83 |
034PNX | 49:1 | 762 | 1058 | 1.955E-03 | 9.417E-04 | 14 / 9 | 8.0 | 5.83 |
034PNX | 55:1 | 924 | 1283 | 1.923E-03 | 4.759E-04 | 14 / 9 | 8.0 | 5.83 |
034PNX | 70:1 | 770 | 1070 | 1.923E-03 | 4.684E-04 | 14 / 9 | 8.0 | 5.83 |
034PNX | 100:1 | 507 | 761 | 1.923E-03 | 4.623E-04 | 14 / 9 | 8.0 | 5.83 |
Downloads
CGI Planetary Configured Datasheet (PDF)
Get the motor you need
Just fill out a Request for a Quote form, and tell us about your application and your needs. One of our applications specialists will review your request, and provide you with a quote promptly.