Request a Quote
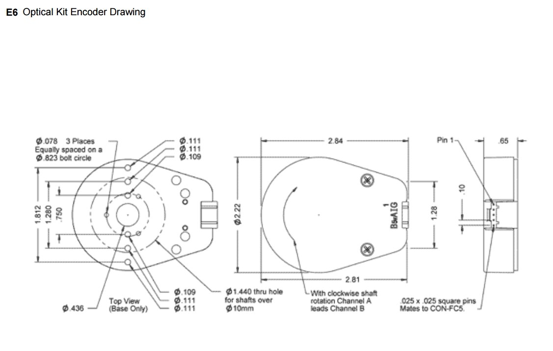
E6 SERIESE6Optical Encoder

Quick Facts
E6 Encoders
E6 Encoders
Features and Benefits:
- Best for NEMA 23 & 34
- Single ended or differential output options
- 64 to 10,000 Cycles per Revolution (CPR)
- 128 to 5,000 pulses per revolution (PPR)
- Positive finger-latching polarized connector
- Tracks from 0 to 100,000 cycles/sec
- Optional index (3rd channel)
- -40 to 100ºC operating temperature
- 2 year warranty


